| 荷载 Load |
负载Payload capacity | 380KG |
|---|---|---|
| 锁紧力(当气压0.49Mpa时)Locking force | 47110N(4807kgf) | |
| 静态容许弯矩 Allowable static moment | 3680N.m | |
| 静态容许扭矩Allowable static torque | 3360N.m | |
| 尺寸与精度 Size and precision |
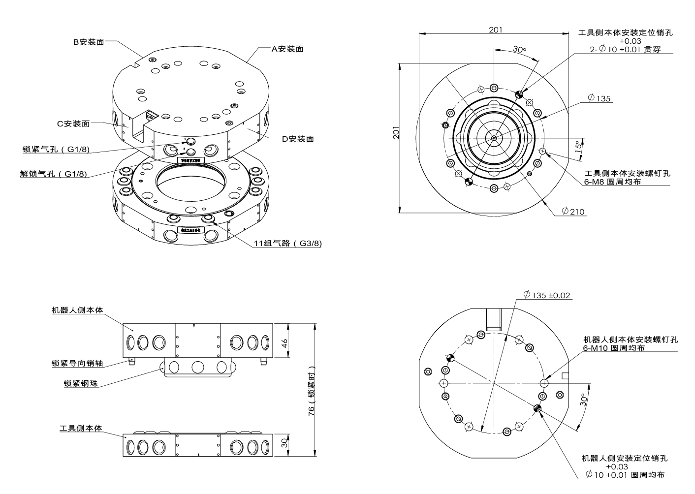
外形尺寸 Dimension | φ210mmxH76mm |
| 连接时厚度 Combined thickness | 76mm | |
| 位置重置精度 Position repeatability | ±0.02mm | |
| 工作驱动压力 Air pressure for working | 0.39~0.7MPa(4^7kgf/cm²) | |
| 锁紧机构 Locking mechanism | 钢球定位锁紧 | |
| 材质 Texture of material |
本体 Main body | 航空铝合金 |
| 锁紧机构 Locking mechanism | 高透性合金钢 | |
| 工作环境 Work environment |
环境温度 Temperature | 0-55°C |
| 环境湿度 Humidity | 0-95%(不结露) | |
| 产品重量 Weight |
主盘侧 Master side | 6000g |
| 工具侧 Tool side | 2420g | |
| 气路接口 Air connector |
气路通道 Pneumatic port | 11×PT3/8 |
| 最大耐压 Max pressure | 0.8Mpa | |
| 模块外观 | 模块型号 | 描述 | 安装面 | |
|---|---|---|---|---|
|
主盘侧 | DX1003AH-R | 10芯3A信号模块(主盘) | A/B/C/D |
| 工具侧 | DX1003AH-T | 10芯3A信号模块(辅盘) | A/B/C/D | |
|
主盘侧 | DL425AH-R | 4芯25A动力电航插式模块(主盘) | A/B/C/D |
| 工具侧 | DL425AH-T | 4芯25A动力电航插式模块(辅盘) | A/B/C/D | |
|
主盘侧 | 气模块2-R | Q0283-R | A/B/C/D |
| 工具侧 | 气模块2-T | Q0283-R | A/B/C/D | |
|
锁紧检测开关 | SMC | PNP/NPN | A/B/C/D |
| 解锁检测开关 | SMC | PNP/NPN | A/B/C/D | |
| 在位检测开关 | JM | PNP/NPN | A/B/C/D | |
